This site is not affiliated with AGCO Inc., Duluth GA., Allis-Chalmers Co., Milwaukee, WI., or any surviving or related corporate entity. All trademarks remain the property of their respective owners. All information presented herein should be considered the result of an un-moderated public forum with no responsibility for its accuracy or usability assumed by the users and sponsors of this site or any corporate entity.
The Forum Parts and Services Unofficial Allis Store Tractor Shows Serial Numbers History
Forum Home Forum Home > Allis Chalmers > Farm Equipment
  New Posts New Posts
  FAQ FAQ  Forum Search   Events   Register Register  Login Login


Gleaner M2 Hydro Forkbine not pulling

 Post Reply Post Reply
Author
Message
wrwtexan View Drop Down
Bronze Level
Bronze Level


Joined: 05 Jul 2010
Location: Cooper Texas
Points: 11
Post Options Post Options   Thanks (0) Thanks(0)   Quote wrwtexan Quote  Post ReplyReply Direct Link To This Post Topic: Gleaner M2 Hydro Forkbine not pulling
    Posted: 10 Jul 2010 at 1:25am
  I have an M2 hydrostat which I have stripped down and turned into a forkbine for moving hay.  Recently the hydro has been stopping pulling.  I can be driving along, stop and when I try to start moving again, it won't do anything.  Has plenty of fluid, pilot operated shift valve is free moving.  We have a manual which is a little help.  Acts like something is sticking and then will magically free up and go to working again.  Machine has been sitting for 3 months and now won't even whine. Any quick fixes or there something failing?
Back to Top
Sponsored Links


Back to Top
DrAllis View Drop Down
Orange Level Access
Orange Level Access


Joined: 12 Sep 2009
Points: 22059
Post Options Post Options   Thanks (0) Thanks(0)   Quote DrAllis Quote  Post ReplyReply Direct Link To This Post Posted: 10 Jul 2010 at 6:34am
What is the serial number or model year?? makes a difference on which model of hydro it is. Sounds like the "charge" pump not providing oil to the hydro like it should. Remove hydro drive belt until you isolate the problem or continued running of the engine will ruin the hydro for good.
Back to Top
ORANGE FARM View Drop Down
Bronze Level
Bronze Level


Joined: 01 Jun 2010
Points: 43
Post Options Post Options   Thanks (0) Thanks(0)   Quote ORANGE FARM Quote  Post ReplyReply Direct Link To This Post Posted: 10 Jul 2010 at 7:33am

CHECK THE BELT ON THE HYD PUMP.

Back to Top
maytag View Drop Down
Bronze Level
Bronze Level


Joined: 30 May 2010
Location: lower alabama
Points: 19
Post Options Post Options   Thanks (0) Thanks(0)   Quote maytag Quote  Post ReplyReply Direct Link To This Post Posted: 11 Jul 2010 at 9:48am
Took a minute to get a handle on a "Forkbine". Assuming this is a standard hydrostatic transmission from that time period it will have to have a certain pressure to bring the main pump on stroke and propel the machine. This is accomplished by the charge pump and pilot pressure will usually be between 200-400 psi. You probably have either an Eaton or Sundstrand set-up. I'd find out the manufacturer and model code and obtain a shop manual-a lot of Eaton manuals can be accessed from the Web. There will be a relief valve in this charge circuit that could be faulty and some older designs(IH for one) had a filter/strainer on the suction side of the charge pump that could be clogged.
I'd try and get my ducks in a row, pressure gages, manuals etc before I ran the machine. If its an Eaton model I may have the shop manual for it.

Good luck,
tom
Back to Top
wrwtexan View Drop Down
Bronze Level
Bronze Level


Joined: 05 Jul 2010
Location: Cooper Texas
Points: 11
Post Options Post Options   Thanks (0) Thanks(0)   Quote wrwtexan Quote  Post ReplyReply Direct Link To This Post Posted: 11 Jul 2010 at 11:21pm
  The hydro unit is a Hydreco Dynapower (eaton/sunstrand?) Phase IV.  The unit does not have an engine driven priming pump as the larger L2 units have.  When working, it runs fine, but quits on occasion when stroked to neutral or parked for a while. Auxiliary hydraulics still operate with or without the traction drive working and I replaced the tank filter in late '08 so I don't think it is plugged.  I have a dealer manual and gauges to check with but want an experienced idea of where to start that I can't get from my book.
Back to Top
DrAllis View Drop Down
Orange Level Access
Orange Level Access


Joined: 12 Sep 2009
Points: 22059
Post Options Post Options   Thanks (0) Thanks(0)   Quote DrAllis Quote  Post ReplyReply Direct Link To This Post Posted: 12 Jul 2010 at 6:35am
So your unit is a 1977 model M2 with the charge pump built inside of the hydrostatic transmission itself (located in the center section). Making absolutely sure that your hydro drive belt (and engine drive belt also) is t-i-g-h-t tight, you need to get a gauge connected to the charge pump test port to verify what charge pressure is or isn't.
Back to Top
maytag View Drop Down
Bronze Level
Bronze Level


Joined: 30 May 2010
Location: lower alabama
Points: 19
Post Options Post Options   Thanks (0) Thanks(0)   Quote maytag Quote  Post ReplyReply Direct Link To This Post Posted: 12 Jul 2010 at 7:00pm
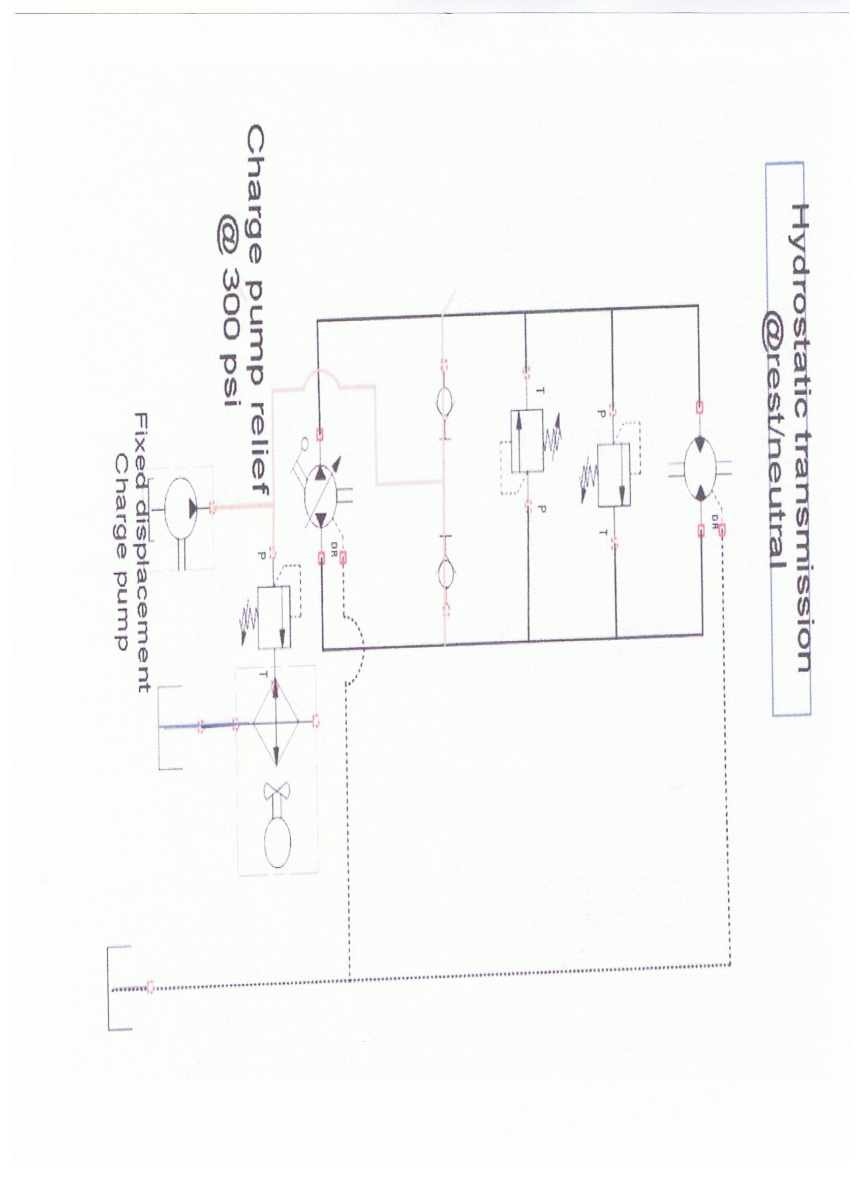
hydrostat_001.jpg

Don't know whether I've been sucessful but have tried to upload a schematic of a typical hydrostatic transmission-maybe this will help.

Tom
Back to Top
maytag View Drop Down
Bronze Level
Bronze Level


Joined: 30 May 2010
Location: lower alabama
Points: 19
Post Options Post Options   Thanks (0) Thanks(0)   Quote maytag Quote  Post ReplyReply Direct Link To This Post Posted: 13 Jul 2010 at 3:59pm


Maybe this will work better.

Tom
Back to Top
michaelwis View Drop Down
Orange Level
Orange Level
Avatar

Joined: 12 Sep 2009
Location: Wi
Points: 8765
Post Options Post Options   Thanks (0) Thanks(0)   Quote michaelwis Quote  Post ReplyReply Direct Link To This Post Posted: 13 Jul 2010 at 5:15pm
always thought guys could modify their units ( GLEANERS  ) like uni did and all ..anyone got picks of  Gleaners ..outfitted say for  planters ?
WD WD45 DIESEL D 14 D-15 SERIES 2 190XT TERRA TIGER ac allcrop 60   GLEANER F 6060 7040.and attachments for all Proud to be an active farmer
Back to Top
DREAM View Drop Down
Orange Level
Orange Level
Avatar

Joined: 06 Jan 2010
Location: Elberton,GA
Points: 1828
Post Options Post Options   Thanks (0) Thanks(0)   Quote DREAM Quote  Post ReplyReply Direct Link To This Post Posted: 13 Jul 2010 at 6:02pm
I don't know anything about hydraulics, or Gleaners for that matter, but I would love to see a picture of this "forkbine". I understand it's not your priority right now, but maybe later.
Back to Top
wrwtexan View Drop Down
Bronze Level
Bronze Level


Joined: 05 Jul 2010
Location: Cooper Texas
Points: 11
Post Options Post Options   Thanks (0) Thanks(0)   Quote wrwtexan Quote  Post ReplyReply Direct Link To This Post Posted: 14 Jul 2010 at 12:33am
 Here is a picture of my modified machine.  When working, it is great.  Lots of visibility, cheap, and has weight on load bearing axle. Have added extra pump and reservoir from L2 for mast lift for speed and oil volume. 
Back to Top
wrwtexan View Drop Down
Bronze Level
Bronze Level


Joined: 05 Jul 2010
Location: Cooper Texas
Points: 11
Post Options Post Options   Thanks (0) Thanks(0)   Quote wrwtexan Quote  Post ReplyReply Direct Link To This Post Posted: 14 Jul 2010 at 12:37am
Thanks to all who have replied to me.  Will start testing it this weekend.
Back to Top
scott View Drop Down
Orange Level Access
Orange Level Access


Joined: 12 Sep 2009
Location: michigan
Points: 2748
Post Options Post Options   Thanks (0) Thanks(0)   Quote scott Quote  Post ReplyReply Direct Link To This Post Posted: 14 Jul 2010 at 6:25am
Can it pick up more than one bale at a time?
Back to Top
wrwtexan View Drop Down
Bronze Level
Bronze Level


Joined: 05 Jul 2010
Location: Cooper Texas
Points: 11
Post Options Post Options   Thanks (0) Thanks(0)   Quote wrwtexan Quote  Post ReplyReply Direct Link To This Post Posted: 18 Jul 2010 at 11:22pm
Machine is only set up for one bale at this time. 
Checked the output pressure of charge pump.  Pump does not build up any gauge reading. Removed the charge pressure relief valve.  Appears to be working.  Dad and I are having an argument in that he believes the unit has an air bubble or is starved for oil due to clogged filter.  That does not explain why it will quit working, be left to sit for a while then go back to working normally. The system is too simple to have much wrong.  Does the charge circuit have any inherent bugs?
220, 190XT, 2 D17's, WD45, 2 CA's, C, M2 Forkbine
Back to Top
maytag View Drop Down
Bronze Level
Bronze Level


Joined: 30 May 2010
Location: lower alabama
Points: 19
Post Options Post Options   Thanks (0) Thanks(0)   Quote maytag Quote  Post ReplyReply Direct Link To This Post Posted: 19 Jul 2010 at 4:43am
I'm not familiar with that product line so can be of only limited help.
Make you are using a known good gage with the the proper range i.e.
charge pressure probably could not be read with a 3000 psi gage. If you could post a schematic that might get you more help.

Tom
Back to Top
maytag View Drop Down
Bronze Level
Bronze Level


Joined: 30 May 2010
Location: lower alabama
Points: 19
Post Options Post Options   Thanks (0) Thanks(0)   Quote maytag Quote  Post ReplyReply Direct Link To This Post Posted: 25 Jul 2010 at 2:29pm
Any update on your forkbine?

Tom
Back to Top
wrwtexan View Drop Down
Bronze Level
Bronze Level


Joined: 05 Jul 2010
Location: Cooper Texas
Points: 11
Post Options Post Options   Thanks (0) Thanks(0)   Quote wrwtexan Quote  Post ReplyReply Direct Link To This Post Posted: 26 Jul 2010 at 12:49am
 I have not made any progress. I checked the output pressure of the charge pump and the regulating valve and got a 0 psi reading. Unit is full of oil. May pull pressure control valve block off and go through it.  Not sure what else could be wrong. Sure miss this machine during hay season. Have two more units. I may end up replacing it.
220, 190XT, 2 D17's, WD45, 2 CA's, C, M2 Forkbine
Back to Top
DrAllis View Drop Down
Orange Level Access
Orange Level Access


Joined: 12 Sep 2009
Points: 22059
Post Options Post Options   Thanks (0) Thanks(0)   Quote DrAllis Quote  Post ReplyReply Direct Link To This Post Posted: 26 Jul 2010 at 6:24am
Internal charge pump failure is what it sounds like.
Back to Top
wrwtexan View Drop Down
Bronze Level
Bronze Level


Joined: 05 Jul 2010
Location: Cooper Texas
Points: 11
Post Options Post Options   Thanks (0) Thanks(0)   Quote wrwtexan Quote  Post ReplyReply Direct Link To This Post Posted: 26 Jul 2010 at 11:22pm
 What can happen to the charge pump? Sheared key? Gerotor pumps don't have much in them.
220, 190XT, 2 D17's, WD45, 2 CA's, C, M2 Forkbine
Back to Top
farmtoybuilder View Drop Down
Orange Level
Orange Level
Avatar

Joined: 11 Sep 2009
Location: Dresden,Ohio
Points: 1457
Post Options Post Options   Thanks (0) Thanks(0)   Quote farmtoybuilder Quote  Post ReplyReply Direct Link To This Post Posted: 27 Jul 2010 at 10:58am
They do wear out! And can shear key. That's first thing i would have checked,  take it apart and check!
5 different TT-10's,5 TT-18's Terra Tigers,B-10,2 B-207's,B-110,2 B-112's,HB-112,B-210,B-212,HB212,2 Scamp's & Homilite T-10. Still hunting NICE HB-112 & anything Terra Tiger & Trailers for them.   
Back to Top
Karl View Drop Down
Bronze Level
Bronze Level
Avatar

Joined: 01 Aug 2010
Location: WI, Marshall
Points: 26
Post Options Post Options   Thanks (0) Thanks(0)   Quote Karl Quote  Post ReplyReply Direct Link To This Post Posted: 12 Oct 2010 at 9:24pm
Hello, I would check for a plugged filter or a bad pump. I have a question for the forum. I have a irrigation pump motor a 2900 mk2, 649t. and it has an in line injection pump. It says Minimec cav england on it. Is this the same engine , pump set up that a m combine has?
Back to Top
DrAllis View Drop Down
Orange Level Access
Orange Level Access


Joined: 12 Sep 2009
Points: 22059
Post Options Post Options   Thanks (0) Thanks(0)   Quote DrAllis Quote  Post ReplyReply Direct Link To This Post Posted: 13 Oct 2010 at 6:15am
No "M" Gleaner ever had a Simms brand pump.....some 1972/73 model "L" combines did.
Back to Top
Karl View Drop Down
Bronze Level
Bronze Level
Avatar

Joined: 01 Aug 2010
Location: WI, Marshall
Points: 26
Post Options Post Options   Thanks (0) Thanks(0)   Quote Karl Quote  Post ReplyReply Direct Link To This Post Posted: 18 Oct 2010 at 6:57pm
Hi When did they stop useing the inline simms pump? I stopped at an Allis Dealer and they told me from a picture of it that it was a gear drive simms pump made before 1985.
Back to Top
 Post Reply Post Reply
  Share Topic   

Forum Jump Forum Permissions View Drop Down

Forum Software by Web Wiz Forums® version 11.10
Copyright ©2001-2017 Web Wiz Ltd.

This page was generated in 0.072 seconds.


Help Support the
Unofficial Allis Forum