This site is not affiliated with AGCO Inc., Duluth GA., Allis-Chalmers Co., Milwaukee, WI., or any surviving or related corporate entity. All trademarks remain the property of their respective owners. All information presented herein should be considered the result of an un-moderated public forum with no responsibility for its accuracy or usability assumed by the users and sponsors of this site or any corporate entity.
The Forum Parts and Services Unofficial Allis Store Tractor Shows Serial Numbers History
Forum Home Forum Home > Allis Chalmers > Farm Equipment
  New Posts New Posts
  FAQ FAQ  Forum Search   Events   Register Register  Login Login


Allis 175 wiring question

 Post Reply Post Reply
Author
Message
MisterDRH View Drop Down
Bronze Level
Bronze Level
Avatar

Joined: 30 Sep 2025
Location: Tennessee
Points: 18
Post Options Post Options   Thanks (0) Thanks(0)   Quote MisterDRH Quote  Post ReplyReply Direct Link To This Post Topic: Allis 175 wiring question
    Posted: 15 Nov 2025 at 8:14am
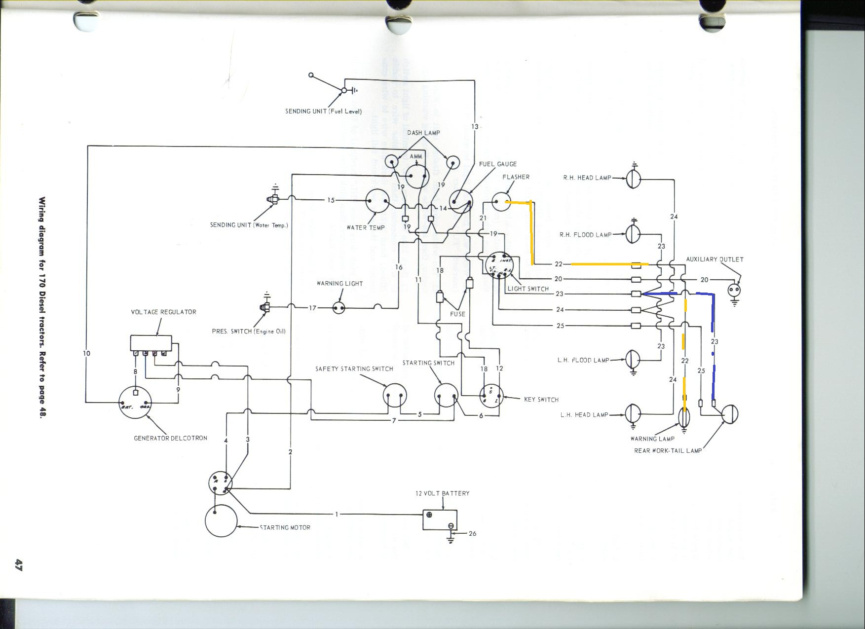
My Allis 175 tractor came to me with most of the electrical wiring under the dashboard disconnected or miss-connected. With the help of the operator manual and parts manual I've been able to figure out how to correctly connect the lights, gauges and starting circuit. However, I haw two wires left with factory ends on them that I need help on determining what they do and how to connect them. One is a blue wire with a white stripe with a pigtail on it (see picture) the other is cream colored like that of the flasher circuit. Any ideas? Thanks.
Back to Top
Sponsored Links


Back to Top
DSeries4 View Drop Down
Orange Level
Orange Level
Avatar

Joined: 12 Sep 2009
Location: Ontario, Canada
Points: 7600
Post Options Post Options   Thanks (0) Thanks(0)   Quote DSeries4 Quote  Post ReplyReply Direct Link To This Post Posted: 15 Nov 2025 at 8:28am
If I recall, the operator's manual describes the wire color.  You can also trace the wire to see where the other end goes.  The operator's manual was super helpful when I put a new wiring harness on mine.
'49 G, '54 WD45, '55 CA, '56 WD45D, '57 WD45, '58 D14, '59 D14, '60 D14, '63 D15D, '66 D15II, '66 D21II, '67 D17IV, '67 D17IVD, '67 190XTD, '73 620, '76 185, '77 175, '84 8030, '85 6080
Back to Top
steve(ill) View Drop Down
Orange Level Access
Orange Level Access
Avatar

Joined: 11 Sep 2009
Location: illinois
Points: 89931
Post Options Post Options   Thanks (0) Thanks(0)   Quote steve(ill) Quote  Post ReplyReply Direct Link To This Post Posted: 15 Nov 2025 at 8:32am
just a guess.... but the 170 diagram shows a BLUE wire going to the rear work lite and the TWO wires on the flasher are both an off white color...... 4 and 5 to the SAFETY start switch are also a white color..





Edited by steve(ill) - 15 Nov 2025 at 8:38am
Like them all, but love the "B"s.
Back to Top
steve(ill) View Drop Down
Orange Level Access
Orange Level Access
Avatar

Joined: 11 Sep 2009
Location: illinois
Points: 89931
Post Options Post Options   Thanks (0) Thanks(0)   Quote steve(ill) Quote  Post ReplyReply Direct Link To This Post Posted: 15 Nov 2025 at 8:35am
Like them all, but love the "B"s.
Back to Top
MisterDRH View Drop Down
Bronze Level
Bronze Level
Avatar

Joined: 30 Sep 2025
Location: Tennessee
Points: 18
Post Options Post Options   Thanks (0) Thanks(0)   Quote MisterDRH Quote  Post ReplyReply Direct Link To This Post Posted: 15 Nov 2025 at 1:32pm
Thanks for the reply. Steve, lines 5 and 6 are washed out in the photo. What wires do lines 5 and 6 describe?   Thanks again
Back to Top
steve(ill) View Drop Down
Orange Level Access
Orange Level Access
Avatar

Joined: 11 Sep 2009
Location: illinois
Points: 89931
Post Options Post Options   Thanks (0) Thanks(0)   Quote steve(ill) Quote  Post ReplyReply Direct Link To This Post Posted: 16 Nov 2025 at 7:46am
yea... its a 20 year old photo i took with a camera of the book... FLASH did it.. I guess i took a second photo also... below.


Like them all, but love the "B"s.
Back to Top
MisterDRH View Drop Down
Bronze Level
Bronze Level
Avatar

Joined: 30 Sep 2025
Location: Tennessee
Points: 18
Post Options Post Options   Thanks (0) Thanks(0)   Quote MisterDRH Quote  Post ReplyReply Direct Link To This Post Posted: 16 Nov 2025 at 9:01am
Thank you. This helps a lot!. My recently purchased manual has the wiring diagram with just numbers on each wire but is missing the pages you photographed. Hopefully the 170 and 175 are wired the same. From the wire tracing I'd did on my 175 they appeare identical.   Thanks again.
Back to Top
 Post Reply Post Reply
  Share Topic   

Forum Jump Forum Permissions View Drop Down

Forum Software by Web Wiz Forums® version 11.10
Copyright ©2001-2017 Web Wiz Ltd.

This page was generated in 0.043 seconds.


Help Support the
Unofficial Allis Forum