This site is not affiliated with AGCO Inc., Duluth GA., Allis-Chalmers Co., Milwaukee, WI., or any surviving or related corporate entity. All trademarks remain the property of their respective owners. All information presented herein should be considered the result of an un-moderated public forum with no responsibility for its accuracy or usability assumed by the users and sponsors of this site or any corporate entity.
The Forum Parts and Services Unofficial Allis Store Tractor Shows Serial Numbers History
Forum Home Forum Home > Allis Chalmers > Farm Equipment
  New Posts New Posts
  FAQ FAQ  Forum Search   Events   Register Register  Login Login


Allis 160 hydraulic leak

 Post Reply Post Reply
Author
Message
TimZ(TX) View Drop Down
Silver Level Access
Silver Level Access


Joined: 12 Sep 2009
Location: Schulenburg, TX
Points: 258
Post Options Post Options   Thanks (0) Thanks(0)   Quote TimZ(TX) Quote  Post ReplyReply Direct Link To This Post Topic: Allis 160 hydraulic leak
    Posted: 03 May 2018 at 2:14pm
My 160 recently developed a leak at the shaft of this adjustment knob below.  It leaks while the 3 point lift is raising.  Is there an o-ring or gasket in there.
 
Tim
2-B's,CA,D15,D17,160,2-185's 8010
Back to Top
Sponsored Links


Back to Top
Stan IL&TN View Drop Down
Orange Level
Orange Level
Avatar

Joined: 13 Sep 2009
Location: Elvis Land
Points: 6730
Post Options Post Options   Thanks (0) Thanks(0)   Quote Stan IL&TN Quote  Post ReplyReply Direct Link To This Post Posted: 03 May 2018 at 3:24pm
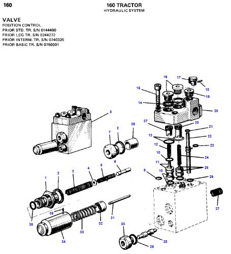
This may help?
1957 WD45 dad's first AC

1968 one-seventy

1956 F40 Ferguson
Back to Top
TimZ(TX) View Drop Down
Silver Level Access
Silver Level Access


Joined: 12 Sep 2009
Location: Schulenburg, TX
Points: 258
Post Options Post Options   Thanks (0) Thanks(0)   Quote TimZ(TX) Quote  Post ReplyReply Direct Link To This Post Posted: 21 May 2018 at 8:20pm
Started to get into the valve yesterday.   How do you remove that block?  I ordered a manual for it.
2-B's,CA,D15,D17,160,2-185's 8010
Back to Top
TimZ(TX) View Drop Down
Silver Level Access
Silver Level Access


Joined: 12 Sep 2009
Location: Schulenburg, TX
Points: 258
Post Options Post Options   Thanks (0) Thanks(0)   Quote TimZ(TX) Quote  Post ReplyReply Direct Link To This Post Posted: 22 May 2018 at 2:13pm
Does anyone know if there is supposed to be a screw in plug in here?  It started leaking when lifting the three point  up.  Looks to be a major undertaking to get this valve off.
 
Tim
2-B's,CA,D15,D17,160,2-185's 8010
Back to Top
TimZ(TX) View Drop Down
Silver Level Access
Silver Level Access


Joined: 12 Sep 2009
Location: Schulenburg, TX
Points: 258
Post Options Post Options   Thanks (0) Thanks(0)   Quote TimZ(TX) Quote  Post ReplyReply Direct Link To This Post Posted: 22 May 2018 at 2:14pm
here is were it is
2-B's,CA,D15,D17,160,2-185's 8010
Back to Top
TimZ(TX) View Drop Down
Silver Level Access
Silver Level Access


Joined: 12 Sep 2009
Location: Schulenburg, TX
Points: 258
Post Options Post Options   Thanks (0) Thanks(0)   Quote TimZ(TX) Quote  Post ReplyReply Direct Link To This Post Posted: 28 May 2018 at 4:42pm
TTT
2-B's,CA,D15,D17,160,2-185's 8010
Back to Top
BrianC View Drop Down
Orange Level Access
Orange Level Access


Joined: 16 Jun 2011
Location: New York
Points: 1619
Post Options Post Options   Thanks (0) Thanks(0)   Quote BrianC Quote  Post ReplyReply Direct Link To This Post Posted: 30 May 2018 at 7:02am
Yes, there is supposed to be a screw in plug in that hole. Picture is dim, but looks to me a plug is there. Is the oil squirting out at pressure from there?
If it just fell out, replace it, maybe it is that simple. I bet it is metric.

However, your very first post says the knob had a leak. But the seat was blocking your view.  There is an o-ring on the knob. And the entire knob will come out by using item #1 hex flats. The valve block is back bolted to that bulkhead plate.
If you unbolt the plate, you get into a "mess" of pinned links and rods and stuff. You will be looking at the top of the hydraulic piston.

One farmer around here has a 160, he gave up trying to get the 3pt working right, removed the arms and links. Just uses the draw bar. But his rear remote outlet still works.


Back to Top
TimZ(TX) View Drop Down
Silver Level Access
Silver Level Access


Joined: 12 Sep 2009
Location: Schulenburg, TX
Points: 258
Post Options Post Options   Thanks (0) Thanks(0)   Quote TimZ(TX) Quote  Post ReplyReply Direct Link To This Post Posted: 30 May 2018 at 7:45am
The plug appears to missing.  The oil definitely is coming out of that hole.  Just got the service manual and it looks vague on taking off that block.  Shows a couple of O-rings.  I'll have to take the block off to really see what there or not there.  I don't want to open a bigger can of worms,  but it leaks a lot.  I  mostly rake with the tractor but do move balls and shred a little.
 
Tim
2-B's,CA,D15,D17,160,2-185's 8010
Back to Top
BrianC View Drop Down
Orange Level Access
Orange Level Access


Joined: 16 Jun 2011
Location: New York
Points: 1619
Post Options Post Options   Thanks (0) Thanks(0)   Quote BrianC Quote  Post ReplyReply Direct Link To This Post Posted: 30 May 2018 at 2:58pm
Curious, I looked at mine again, flashlight and mirror time. Not so sure it is a screw plug. It looks bright color, like die cast or zinc. May have a weep hole. Can't see hex for an Allen key. Maybe it is press in. Good luck.



Back to Top
 Post Reply Post Reply
  Share Topic   

Forum Jump Forum Permissions View Drop Down

Forum Software by Web Wiz Forums® version 11.10
Copyright ©2001-2017 Web Wiz Ltd.

This page was generated in 0.160 seconds.


Help Support the
Unofficial Allis Forum